SAF89減速器銘牌參數說明解讀含義:有關型號描述的詳細情況及其他信息可以參閱本業附件下載中的SAF89減速器選型樣本。
SAF89-BPE7.5KW-4P-27.28-M1-180°
SAF:系列代號
89:減速機規格代號
BPE:電機
7.5KW:電機功率
4P:電機級數
27.28:減速機傳動比
M1:減速機安裝位置
180°:接線盒位置

SAF89減速器聯軸器安裝:
SAF89減速器聯軸器安裝注意事項:將電機裝配到聯軸器時,聯軸器中可能滲人水汽;用抗氧化密封膠密封聯軸器和電機法蘭連接面。齒輪減速電機
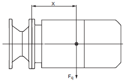
SAF89減速器聯軸器安裝允許荷載:安裝電機時可能出現超常負荷;嚴禁超出下表所列的負荷值。電機的最大允許重力Fqmax隨著中心距X的增加而呈線性下降;中心距X減少的情況下,最大許可重力Fqmax不增加;AM聯軸器輸出法蘭的直徑:160mm;帶逆止器AM../RS的AM聯軸器;安裝或運行前檢查驅動裝置的旋轉方向是否正確;錯誤請與BOSERL公司客戶服務部聯系。
SAF89AM聯軸器型號 | X1) [mm] | F q [N] |
IEC | NEMA | IEC AM聯軸器 | NEMA AM聯軸器 |
AM63/71 | AM65 | 77 | 530 | 410 |
AM80/90 | AM143/145 | 113 | 420 | 380 |
AM100/112 | AM182/184 | 144 | 2000 | 1760 |
AM132 | AM213/215 | 186 | 1600 | 1250 |
AM132 | AM213/215 | 186 | 4700 | 3690 |
AM160/180 | AM254/286 | 251 | 4600 | 4340 |
AM200/225 | AM324-AM365 | 297 | 5600 | 5250 |
AM250/280 | - | 390 | 11200 | - |

SAF89減速器聯軸器安裝步驟:清潔電機軸和連接表面以及聯軸器;拆下電機軸的鍵并且使用隨帶的鍵[484]代替(不包括AM63以及AM250);半聯軸器[479]加熱到約80-100°C,然后推入電機軸。對半聯軸器定位如下:IEC-聯軸器AM63-225安裝至電機軸軸肩處,IEC-聯軸器AM250-280安裝至尺寸A處,帶軸套[491]的NEMA-聯軸器安裝至尺寸A處;按照下表中扭矩值TA,使用緊固螺釘[481]將鍵和半聯軸器固定在電機軸上;檢查安裝尺寸A;采用合適的表面密封材料對聯軸器及電機的接觸平面進行密封;將電機裝在聯軸器上,裝配中確保兩個半聯軸器與梅花彈性體嚙合良好。[1]電機軸,[479]半聯軸器,[481]緊固螺釘,[484]鍵,[491]軸套。伺服電機渦輪渦桿減速機
IEC AM | 63/71 | 80/ 90 | 100/ 112 | 132 | 160/ 180 | 200 | 225 | 250/ 280 |
A | 24.5 | 31.5 | 41.5 | 54 | 76 | 78.5 | 93.5 | 139 |
TA | 1.5 | 1.5 | 4.8 | 4.8 | 10 | 17 | 17 | 17 |
螺紋 | M4 | M4 | M6 | M6 | M8 | M10 | M10 | M10 |
NEMA AM | 56 | 143/145 | 182/184 | 213/ 215 | 254/256 | 284/286 | 324/ 326 | 364/ 365 |
A | 46 | 43 | 55 | 63.5 | 78.5 | 85.5 | 107 | 107 |
TA | 1.5 | 1.5 | 4.8 | 4.8 | 10 | 17 | 17 | 17 |
螺紋 | M4 | M4 | M6 | M6 | M8 | M10 | M10 | M10 |

SAF89減速器聯軸器安裝提示:未避免配合出發生腐蝕,建議在裝配半聯軸器之前用潤滑油涂覆電機軸。
SAF89減速器檢查維修:
SAF89減速器聯軸器AL/AM/AQ的檢查/維修:軸承、聯軸器,檢查是否可能因軸承損壞產生運轉噪音,檢查聯軸器是否漏油;彈性體,檢查圓周齒隙,檢查聯軸器的彈性體;軸承、油封、彈性體,更換滾動軸承潤滑脂,更換油封(不要安裝在同樣工作軌跡上),更換彈性體。自鎖減速機
SAF89減速器輸入端裝置AD的檢查/維修:軸承、聯軸器,檢查是否可能因軸承損壞產生運轉噪音,檢查聯軸器是否漏油;軸承,更換滾動軸承油脂;油封,更換油封。為了避免高徑向力:請按圖B裝配齒輪或者鏈輪。

收到SAF89減速器后請立即檢查送貨有無運輸損壞。如有損壞請立即通知運輸公司。必要情況下不得對設備進行調試運行。擰緊運輸吊耳。由于吊耳的設計負載僅針對電機/減速電機重量,因此不得額外增加負荷。已經安裝好的吊環螺栓符合GB825的規定。原則上要遵守標準中所注明的負荷和規定。如果減速電機上裝有兩個吊耳或者吊環螺栓,則運輸時必須用兩個吊環同時進行吊裝。根據GB825規定,吊裝件的拉力方向不得超過45度斜角。必要情況下,應使用相應的、有足夠承載力的運輸工具。調試前拆除所有運輸緊固件。
SAF89減速器調試/運行:在沒有連接外部設備的狀態下檢查轉向是否正確。檢查時注意轉動過程中是否產生異常摩擦聲。調試運行時,若未安裝輸出部件,則應緊固鍵。檢測裝置和保護裝置即使在試運行狀態下亦不得關閉。若出現不同與正常運行狀態的變化(例如升溫、噪音、震動),則必須在可疑情況下關閉減速電機。查明原因,并在必要情況下與BOSERL公司聯系。
SAF89減速器的操作工作只可由經過培訓的專業人員執行。專業人員是指熟悉安裝位置、機械安裝、產品的故障排除與維護并具備下列資質的人員: 接受過機械專業的培訓(如機械工程師或機電工程師)并通過結業考試。違規拆必要的防護罩板、設備的不當使用以及錯誤安裝或操作設備均可導致嚴重的人員傷害或財產損失。

SAF89減速器型號:
XDSAF87-Y0.55KW,XDSAF87-Y0.75KW,XDSAF87-Y1.1KW,XDSAF87-Y1.5KW,XDSAF87-Y100M4,XDSAF87-Y112M4,XDSAF87-Y11KW,XDSAF87-Y132M4,XDSAF87-Y15KW,XDSAF87-Y160M4,XDSAF87-Y2.2KW,XDSAF87-Y3KW,XDSAF87-Y4KW,XDSAF87-Y5.5KW,XDSAF87-Y7.5KW,XDSAF87-Y71M4,XDSAF87-Y80M4,XDSAF87-Y90M4,XDSAF87-YB100M4,XDSAF87-YB112M4,XDSAF87-YB132M4,XDSAF87-YB160M4,XDSAF87-YB71M4,XDSAF87-YB80M4,XDSAF87-YB90M4,XDSAF87-YDP100M4,XDSAF87-YDP112M4,XDSAF87-YDP132M4,XDSAF87-YDP160M4,XDSAF87-YDP71M4,XDSAF87-YDP80M4,XDSAF87-YDP90M4,XDSAF87-YE100M4,XDSAF87-YE112M4,XDSAF87-YE132M4,XDSAF87-YE160M4,XDSAF87-YE71M4,XDSAF87-YE80M4,XDSAF87-YE90M4,XDSAF87-YEJ100M4,XDSAF87-YEJ112M4,XDSAF87-YEJ132M4,XDSAF87-YEJ160M4,XDSAF87-YEJ71M4,XDSAF87-YEJ80M4,XDSAF87-YEJ90M4,XDSAF87-YEJB100M4,XDSAF87-YEJB112M4,XDSAF87-YEJB132M4,XDSAF87-YEJB160M4,XDSAF87-YEJB71M4,XDSAF87-YEJB80M4,XDSAF87-YEJB90M4,XDSAF87-YP100M4,XDSAF87-YP112M4,XDSAF87-YP132M4,XDSAF87-YP160M4,XDSAF87-YP71M4,XDSAF87-YP80M4,XDSAF87-YP90M4,XDSAF87-YPB100M4,XDSAF87-YPB112M4,XDSAF87-YPB132M4,XDSAF87-YPB160M4,XDSAF87-YPB71M4,XDSAF87-YPB80M4,XDSAF87-YPB90M4,XDSAF87-YPE100M4,XDSAF87-YPE112M4,XDSAF87-YPE132M4,XDSAF87-YPE160M4,XDSAF87-YPE71M4,XDSAF87-YPE80M4,XDSAF87-YPE90M4,XDSAF87-YS100M4,XDSAF87-YS112M4,XDSAF87-YS132M4,XDSAF87-YS160M4,XDSAF87-YS71M4,XDSAF87-YS80M4,XDSAF87-YS90M4,XDSAF87-YVB100M4,XDSAF87-YVB112M4,XDSAF87-YVB132M4,XDSAF87-YVB160M4,XDSAF87-YVB71M4,XDSAF87-YVB80M4,XDSAF87-YVB90M4,XDSAF87-YVP100M4,XDSAF87-YVP112M4,XDSAF87-YVP132M4,XDSAF87-YVP160M4,XDSAF87-YVP71M4,XDSAF87-YVP80M4,XDSAF87-YVP90M4,XDSAF87-YVPEJ100M4,XDSAF87-YVPEJ112M4,XDSAF87-YVPEJ132M4,XDSAF87-YVPEJ160M4,XDSAF87-YVPEJ71M4,XDSAF87-YVPEJ80M4,XDSAF87-YVPEJ90M4,JCSAF87-Y0.55KW,JCSAF87-Y0.75KW,JCSAF87-Y1.1KW,JCSAF87-Y1.5KW,JCSAF87-Y100M4,JCSAF87-Y112M4,JCSAF87-Y11KW,JCSAF87-Y132M4,JCSAF87-Y15KW,JCSAF87-Y160M4,JCSAF87-Y2.2KW,JCSAF87-Y3KW,JCSAF87-Y4KW,JCSAF87-Y5.5KW,JCSAF87-Y7.5KW,JCSAF87-Y71M4,JCSAF87-Y80M4,JCSAF87-Y90M4,JCSAF87-YB100M4,JCSAF87-YB112M4,JCSAF87-YB132M4,JCSAF87-YB160M4,JCSAF87-YB71M4,JCSAF87-YB80M4,JCSAF87-YB90M4,JCSAF87-YDP100M4,JCSAF87-YDP112M4,JCSAF87-YDP132M4,JCSAF87-YDP160M4,JCSAF87-YDP71M4,JCSAF87-YDP80M4,JCSAF87-YDP90M4,JCSAF87-YE100M4,JCSAF87-YE112M4,JCSAF87-YE132M4,JCSAF87-YE160M4,JCSAF87-YE71M4,JCSAF87-YE80M4,JCSAF87-YE90M4,JCSAF87-YEJ100M4,JCSAF87-YEJ112M4,JCSAF87-YEJ132M4,JCSAF87-YEJ160M4,JCSAF87-YEJ71M4,JCSAF87-YEJ80M4,JCSAF87-YEJ90M4,JCSAF87-YEJB100M4,JCSAF87-YEJB112M4,JCSAF87-YEJB132M4,JCSAF87-YEJB160M4,JCSAF87-YEJB71M4,JCSAF87-YEJB80M4,JCSAF87-YEJB90M4,JCSAF87-YP100M4,JCSAF87-YP112M4,JCSAF87-YP132M4,JCSAF87-YP160M4,JCSAF87-YP71M4,JCSAF87-YP80M4,JCSAF87-YP90M4,JCSAF87-YPB100M4,JCSAF87-YPB112M4,JCSAF87-YPB132M4,JCSAF87-YPB160M4,JCSAF87-YPB71M4,JCSAF87-YPB80M4,JCSAF87-YPB90M4,JCSAF87-YPE100M4,JCSAF87-YPE112M4,JCSAF87-YPE132M4,JCSAF87-YPE160M4,JCSAF87-YPE71M4,JCSAF87-YPE80M4,JCSAF87-YPE90M4,JCSAF87-YS100M4,JCSAF87-YS112M4,JCSAF87-YS132M4,JCSAF87-YS160M4,JCSAF87-YS71M4,JCSAF87-YS80M4,JCSAF87-YS90M4,JCSAF87-YVB100M4,JCSAF87-YVB112M4,JCSAF87-YVB132M4,JCSAF87-YVB160M4,JCSAF87-YVB71M4,JCSAF87-YVB80M4,JCSAF87-YVB90M4,JCSAF87-YVP100M4,JCSAF87-YVP112M4,JCSAF87-YVP132M4,JCSAF87-YVP160M4,JCSAF87-YVP71M4,JCSAF87-YVP80M4,JCSAF87-YVP90M4,JCSAF87-YVPEJ100M4,JCSAF87-YVPEJ112M4,JCSAF87-YVPEJ132M4,JCSAF87-YVPEJ160M4,JCSAF87-YVPEJ71M4,JCSAF87-YVPEJ80M4,JCSAF87-YVPEJ90M4,YQSAF87-Y0.55KW,YQSAF87-Y0.75KW,YQSAF87-Y1.1KW,YQSAF87-Y1.5KW,YQSAF87-Y100M4,YQSAF87-Y112M4,YQSAF87-Y11KW,YQSAF87-Y132M4,YQSAF87-Y15KW,YQSAF87-Y160M4,YQSAF87-Y2.2KW,YQSAF87-Y3KW,YQSAF87-Y4KW,YQSAF87-Y5.5KW,YQSAF87-Y7.5KW,YQSAF87-Y71M4,YQSAF87-Y80M4,YQSAF87-Y90M4,YQSAF87-YB100M4,YQSAF87-YB112M4,YQSAF87-YB132M4,YQSAF87-YB160M4,YQSAF87-YB71M4,YQSAF87-YB80M4,YQSAF87-YB90M4,YQSAF87-YDP100M4,YQSAF87-YDP112M4,YQSAF87-YDP132M4,YQSAF87-YDP160M4,YQSAF87-YDP71M4,YQSAF87-YDP80M4,YQSAF87-YDP90M4,YQSAF87-YE100M4,YQSAF87-YE112M4,YQSAF87-YE132M4,YQSAF87-YE160M4,YQSAF87-YE71M4,YQSAF87-YE80M4,YQSAF87-YE90M4,YQSAF87-YEJ100M4,YQSAF87-YEJ112M4,YQSAF87-YEJ132M4,YQSAF87-YEJ160M4,YQSAF87-YEJ71M4,YQSAF87-YEJ80M4,YQSAF87-YEJ90M4,YQSAF87-YEJB100M4,YQSAF87-YEJB112M4,YQSAF87-YEJB132M4,YQSAF87-YEJB160M4,YQSAF87-YEJB71M4,YQSAF87-YEJB80M4,YQSAF87-YEJB90M4,YQSAF87-YP100M4,YQSAF87-YP112M4,YQSAF87-YP132M4,YQSAF87-YP160M4,YQSAF87-YP71M4,YQSAF87-YP80M4,YQSAF87-YP90M4,YQSAF87-YPB100M4,YQSAF87-YPB112M4,YQSAF87-YPB132M4,YQSAF87-YPB160M4,YQSAF87-YPB71M4,YQSAF87-YPB80M4,YQSAF87-YPB90M4,YQSAF87-YPE100M4,YQSAF87-YPE112M4,YQSAF87-YPE132M4,YQSAF87-YPE160M4,YQSAF87-YPE71M4,YQSAF87-YPE80M4,YQSAF87-YPE90M4,YQSAF87-YS100M4,YQSAF87-YS112M4,YQSAF87-YS132M4,YQSAF87-YS160M4,YQSAF87-YS71M4,YQSAF87-YS80M4,YQSAF87-YS90M4,YQSAF87-YVB100M4,YQSAF87-YVB112M4,YQSAF87-YVB132M4,YQSAF87-YVB160M4,YQSAF87-YVB71M4,YQSAF87-YVB80M4,YQSAF87-YVB90M4,YQSAF87-YVP100M4,YQSAF87-YVP112M4,YQSAF87-YVP132M4,YQSAF87-YVP160M4,YQSAF87-YVP71M4,YQSAF87-YVP80M4,YQSAF87-YVP90M4,YQSAF87-YVPEJ100M4,YQSAF87-YVPEJ112M4,YQSAF87-YVPEJ132M4,YQSAF87-YVPEJ160M4,YQSAF87-YVPEJ71M4,YQSAF87-YVPEJ80M4,YQSAF87-YVPEJ90M4,SWAF87-Y0.55KW,SWAF87-Y0.75KW,SWAF87-Y1.1KW,SWAF87-Y1.5KW,SWAF87-Y100M4,SWAF87-Y112M4,SWAF87-Y11KW,SWAF87-Y132M4,SWAF87-Y15KW,SWAF87-Y160M4,SWAF87-Y2.2KW,SWAF87-Y3KW,SWAF87-Y4KW,SWAF87-Y5.5KW,SWAF87-Y7.5KW,SWAF87-Y71M4,SWAF87-Y80M4,SWAF87-Y90M4,SWAF87-YB100M4,SWAF87-YB112M4,SWAF87-YB132M4,SWAF87-YB160M4,SWAF87-YB71M4,SWAF87-YB80M4,SWAF87-YB90M4,SWAF87-YDP100M4,SWAF87-YDP112M4,SWAF87-YDP132M4,SWAF87-YDP160M4,SWAF87-YDP71M4,SWAF87-YDP80M4,SWAF87-YDP90M4,SWAF87-YE100M4,SWAF87-YE112M4,SWAF87-YE132M4,SWAF87-YE160M4,SWAF87-YE71M4,SWAF87-YE80M4,SWAF87-YE90M4,SWAF87-YEJ100M4,SWAF87-YEJ112M4,SWAF87-YEJ132M4,SWAF87-YEJ160M4,SWAF87-YEJ71M4,SWAF87-YEJ80M4,SWAF87-YEJ90M4,SWAF87-YEJB100M4,SWAF87-YEJB112M4,SWAF87-YEJB132M4,SWAF87-YEJB160M4,SWAF87-YEJB71M4,SWAF87-YEJB80M4,SWAF87-YEJB90M4,SWAF87-YP100M4,SWAF87-YP112M4,SWAF87-YP132M4,SWAF87-YP160M4,SWAF87-YP71M4,SWAF87-YP80M4,SWAF87-YP90M4,SWAF87-YPB100M4,SWAF87-YPB112M4,SWAF87-YPB132M4,SWAF87-YPB160M4,SWAF87-YPB71M4,SWAF87-YPB80M4,SWAF87-YPB90M4,SWAF87-YPE100M4,SWAF87-YPE112M4,SWAF87-YPE132M4,SWAF87-YPE160M4,SWAF87-YPE71M4,SWAF87-YPE80M4,SWAF87-YPE90M4,SWAF87-YS100M4,SWAF87-YS112M4,SWAF87-YS132M4,SWAF87-YS160M4,SWAF87-YS71M4,SWAF87-YS80M4,SWAF87-YS90M4,SWAF87-YVB100M4,SWAF87-YVB112M4,SWAF87-YVB132M4,SWAF87-YVB160M4,SWAF87-YVB71M4,SWAF87-YVB80M4,SWAF87-YVB90M4,SWAF87-YVP100M4,SWAF87-YVP112M4,SWAF87-YVP132M4,SWAF87-YVP160M4,SWAF87-YVP71M4,SWAF87-YVP80M4,SWAF87-YVP90M4,SWAF87-YVPEJ100M4,SWAF87-YVPEJ112M4,SWAF87-YVPEJ132M4,SWAF87-YVPEJ160M4,SWAF87-YVPEJ71M4,SWAF87-YVPEJ80M4,SWAF87-YVPEJ90M4,SAF89-Y0.55KW,SAF89-Y0.75KW,SAF89-Y1.1KW,SAF89-Y1.5KW,SAF89-Y100M4,SAF89-Y112M4,SAF89-Y11KW,SAF89-Y132M4,SAF89-Y15KW,SAF89-Y160M4,SAF89-Y2.2KW,SAF89-Y3KW,SAF89-Y4KW,SAF89-Y5.5KW,SAF89-Y7.5KW,SAF89-Y71M4,SAF89-Y80M4,SAF89-Y90M4,SAF89-YB100M4,SAF89-YB112M4,SAF89-YB132M4,SAF89-YB160M4,SAF89-YB71M4,SAF89-YB80M4,SAF89-YB90M4,SAF89-YDP100M4,SAF89-YDP112M4,SAF89-YDP132M4,SAF89-YDP160M4,SAF89-YDP71M4,SAF89-YDP80M4,SAF89-YDP90M4,SAF89-YE100M4,SAF89-YE112M4,SAF89-YE132M4,SAF89-YE160M4,SAF89-YE71M4,SAF89-YE80M4,SAF89-YE90M4,SAF89-YEJ100M4,SAF89-YEJ112M4,SAF89-YEJ132M4,SAF89-YEJ160M4,SAF89-YEJ71M4,SAF89-YEJ80M4,SAF89-YEJ90M4,SAF89-YEJB100M4,SAF89-YEJB112M4,SAF89-YEJB132M4,SAF89-YEJB160M4,SAF89-YEJB71M4,SAF89-YEJB80M4,SAF89-YEJB90M4,SAF89-YP100M4,SAF89-YP112M4,SAF89-YP132M4,SAF89-YP160M4,SAF89-YP71M4,SAF89-YP80M4,SAF89-YP90M4,SAF89-YPB100M4,SAF89-YPB112M4,SAF89-YPB132M4,SAF89-YPB160M4,SAF89-YPB71M4,SAF89-YPB80M4,SAF89-YPB90M4,SAF89-YPE100M4,SAF89-YPE112M4,SAF89-YPE132M4,SAF89-YPE160M4,SAF89-YPE71M4,SAF89-YPE80M4,SAF89-YPE90M4,SAF89-YS100M4,SAF89-YS112M4,SAF89-YS132M4,SAF89-YS160M4,SAF89-YS71M4,SAF89-YS80M4,SAF89-YS90M4,SAF89-YVB100M4,SAF89-YVB112M4,SAF89-YVB132M4,SAF89-YVB160M4,SAF89-YVB71M4,SAF89-YVB80M4,SAF89-YVB90M4,SAF89-YVP100M4,SAF89-YVP112M4,SAF89-YVP132M4,SAF89-YVP160M4,SAF89-YVP71M4,SAF89-YVP80M4,SAF89-YVP90M4,SAF89-YVPEJ100M4,SAF89-YVPEJ112M4,SAF89-YVPEJ132M4,SAF89-YVPEJ160M4,SAF89-YVPEJ71M4,SAF89-YVPEJ80M4,SAF89-YVPEJ90M4,SAF87SF80,SAF87SF90,SAF87SF100,SAF87SF112,SAF87SF115,SAF87SF140,SAF87SF160,SAF87SF190。
SAF89減速器生產廠家展示:看廠請聯系微信13827261050,獲取位置,需提前一天預約http://www.knight-foundation.com/product/list-safxiliejiansuji-cn.html




推薦類似型號:S89減速機
關鍵詞:立式蝸輪蝸桿減速機帶馬達一體機_伺服電機渦輪渦桿減速機_立式蝸桿減速機_GSAF系列減速機_SAF系列減速機_SAF系列減速器_伺服電機渦輪渦桿減速器_伺服渦輪渦桿減速機_立式蝸輪減速機
SAF系列減速機型號:SAF39減速機,SAF49減速機,SAF59減速機,SAF69減速機,SAF79減速機,SAF89減速機,SAF99齒輪減速電機
SAF系列自鎖減速機可配變頻電機,剎車電機,防爆電機,伺服電機,交流電機,直流電機,三相電機,單相電機 0.12KW-22KW之間
如需工程師幫選型,請加微信13827261050,留言告知工程師參數要求
標簽:  SAF89減速器 SAF87斜齒輪減速機 SAF87減速機3D模型 SAF87臥式減速機一體機 SAF87立式減速機一體機 SAF87伺服減速機